友情链接
全国服务热线
400-163-8866
本周热点问题

ee20191203173248922
2025-12-25 15:33:37
全部回答
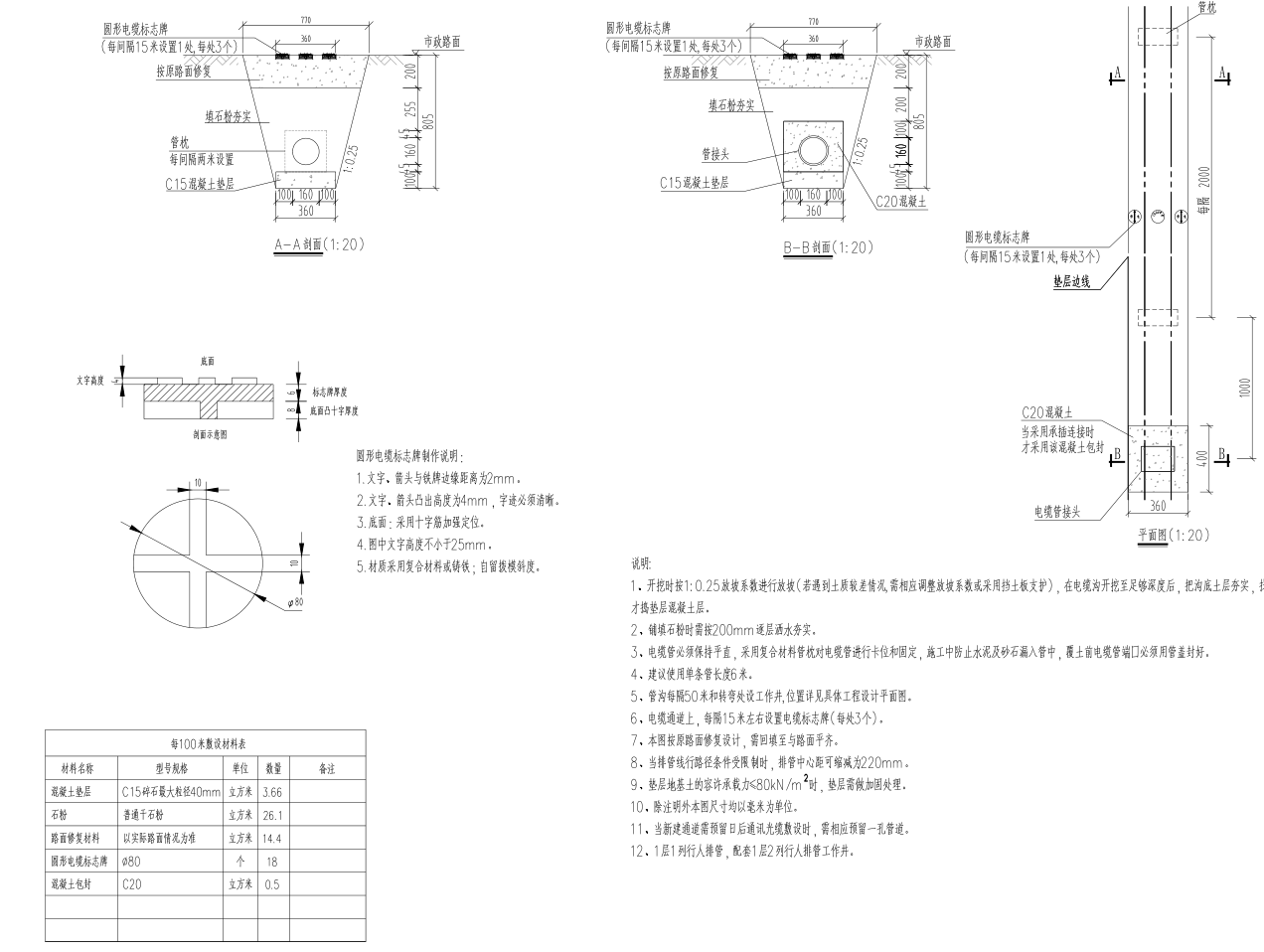
以下供参考:
垫层、管道包封用混凝土施工检验批做
电缆管做导管敷设检验批
石粉这个没有专门的表格可以做隐蔽验收
标志牌做个施工记录
举报
举报
您可能感兴趣的问题 更多
友情链接
全国服务热线
400-163-8866