友情链接
全国服务热线
400-163-8866
本周热点问题

zywu3uggakhwfksc
2026-01-30 14:32:29
全部回答
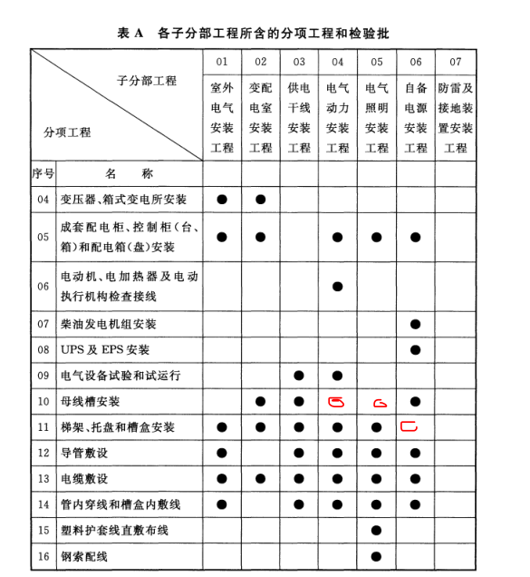
这个是因为《建筑电气工程施工质量验收规范》(GB50303-2015)后来有修订过

增加了母线槽安装的分项
举报
全部回复
zywu3uggakhwfksc白银专家
2026-01-31 09:04:41
回复
您可能感兴趣的问题 更多
友情链接
全国服务热线
400-163-8866