近日,为提升住宅居住舒适性,由北京市市场监督管理局、北京市规划和自然资源委员会共同发布《住宅设计规范》。从居住安全、居住品质、居住科技等多方面出发,提升住宅全生命周期品质。在居住便利性方面,规定四层及四层以上新建住宅建筑或住户入口层楼面距室外设计地面的高度超过9米的新建住宅建筑,必须设置电梯;在住宅宜居性方面,规定卧室、起居室净高不应低于2.5米,比现行国家标准提高了10厘米;

住宅交房前,套内所有功能空间的固定面粉刷和管线全部铺装完成,厨房和卫生间的基本设施全部安装到位。住宅层高不应低于2.80m,当住宅建筑标准层层高大于4.9m时,不论层内是否有隔层,建筑面积的计算值按该层水平投影面积的2倍计算;剪刀梯的两个楼梯应在走道或屋顶连通,也可在前室连通四层及四层以上新建住宅建筑或住户入口层楼面距室外设计地面的高度超过 9m 的新建住宅建筑,必须设置电梯,每个设置电梯的居住单元应至少设有 1 台可容纳担架的电梯。可容纳担架的电梯的额定载重量不应小于 1000kg,轿厢最小尺寸不应小于 1.50m×1.60m,轿厢门净宽不应小于 0.90m。同时,该《规范》还本着提升居住安全、居住品质的原则,注重规范内容的精细化、可操作性,强化住宅无障碍与适老化设计,充分体现了“安全性、舒适性、前瞻性”的设计理念。
全文:
北京市地方标准
《住宅设计规范》DB11/1740—2020
本规范共分 12 章,主要内容包括:1. 总则;2. 术语;3. 基本规定;4. 技术经济指标;5. 套内空间;6. 公共空间;7. 住宅设施;8. 室内环境;9. 建筑结构;10. 建筑设备;11. 建筑电气;12. 管线综合设计。1.0.1 为适应北京市经济发展的需要,提高住宅设计水平,满足居民对居住 品质、居住功能、居住环境和居住安全等多方面的要求,针对北京市的地方特点,制定本规范。1.0.2 本规范适用于北京市城镇新建、改建、扩建住宅的建筑设计。1.0.3 住宅设计应严格执行国家和北京市的有关方针、政策和法规,遵守安 全卫生、环境保护和节约资源等有关规定,适当应用新能源,实现住宅建设可持续发展。1.0.4 住宅设计除应符合本规范外,尚应符合国家和北京市现行有关标准的规定。成套设置居住功能和生活设施,供家庭居住使用的建筑。由居住空间和厨房、卫生间、贮藏室、阳台等共同组成的基本住宅单元。附设于建筑物外墙设有栏杆、栏板,可供人活动的空间。在交付前,住宅建筑内部墙面、顶面、地面全部铺贴、粉刷完成,门窗、固 定家具、设备管线、开关插座及厨房、卫生间固定设施安装到位;公共建筑公共 区域的固定面全部铺贴、粉刷完成,水、暖、电、通风等基本设备全部安装到位。又名智能快递柜、自提柜、智能邮箱等,设立在公共场合,可供投递和提取快件的自助服务设备。以住宅为平台,利用综合布线技术、网络通信技术、安全防范技术、自动控制技术、音视频技术将家居生活有关的设施集成,构建高效的住宅设施与家庭日 程事务的管理系统。包括家庭网络、家庭安防、家电智能控制、能源智能计量、节约低碳 、远程教育、远程医疗等。具有用电信息存储、双向多种费率计量、用户端控制、多种数据传输模式的双向数据通信、防窃电等功能的电表。安装于家庭中的用于发生危险情况时对外发出求救及报警信号的电气装置。为电动汽车充电的专用设施,能实现计时、计电度、计金额充电,充电桩可 分为直流充电桩、交流充电桩和交直流一体充电桩。用于敷设通信及广播电视线缆的一种通道,由管道、人(手)孔和建筑物引入管等组成。建筑物内用于线缆分线的箱体,配线箱为线缆分线设备。用于安装信号放大器、分支器、分配器的箱体以下简称“放大箱”。用于安装各种配线模块、家庭交换机、计算机网络集线器或以太交换机及家 庭智能化系统模块、有线广播电视用家庭网关等户内设备及设施的箱体。有线广播电视终端盒是指用户电器(如电视机、收音机等)与有线广播电视 系统连接的设备盒。根据破坏后果的严重程度划分的结构或结构构件的等级。是材料抵抗自身和自然环境双重因素长期破坏作用的能力。3.0.1 住宅设计应符合北京市城乡规划及居住区规划的要求,并应经济合理、有效地利用土地和空间。3.0.2 住宅设计应与住区规划设计相协调,并应符合现行国家标准《城市居住区规划设计标准》GB 50180 的规定。3.0.3 住宅设计应满足安全、适用和耐久的要求。3.0.4 住宅设计应体现绿色、节能、生态、环保等理念。3.0.5 住宅设计应使建筑与周围环境相协调,并应营造便捷、健康、舒适的 生活空间。3.0.6 住宅设计应体现以人为本的思想,满足多样的居住需求,除满足基本居住要求外,尚应满足适老性和无障碍的特殊使用要求。3.0.7 住宅设计应满足居住者所需的日照、采光、通风、隔声和空气质量等要求。3.0.8 住宅设计应推行模数化、标准化、多样化,考虑在住宅中应用新技术、 新材料、新产品,促进住宅产业现代化,提高住宅在全生命周期内的品质。3.0.9 住宅设计应符合国家工程建设消防技术标准,并应满足安全疏散的要求。3.0.10 住宅设计应满足设备系统功能有效、运行安全、维修方便等要求,并应为相关设备预留合理的安装位置。3.0.11 新建住宅应实施全装修,提高住宅产品的完成度。建筑设计与装修设计应同步进行并一体化实施。4.0.2 住宅的技术经济指标计算,应符合下列规定: 1 各功能空间使用面积应等于各功能空间墙体内表面所围合的水平投 影面积; 2 套内使用面积应等于套内各功能空间使用面积之和; 3 套型阳台面积应按照其围护结构外围水平投影计算建筑面积 ;4 套型总建筑面积应等于套内使用面积、相应的建筑面积和套型阳台面积之和; 5 住宅楼总建筑面积应等于全楼各套型总建筑面积之和。1 套内使用面积应包括卧室、起居室(厅)、餐厅、厨房、卫生间、过厅、走道、贮藏室等使用面积的总和;更多内容关注搜建筑微信2 跃层住宅中的套内楼梯应按自然层数的使用面积总和计入套内使用面积;4 套内使用面积应按结构墙体表面尺寸计算;有复合保温层时,应按 复合保温层表面尺寸计算; 5 利用坡屋顶内的空间时,屋面板下表面与楼板地面的净高低于 1.20m的空间不应计算使用面积,净高在 1.20m~2.10m 的空间应按 1/2 计算使用面 积,净高超过 2.10m 的空间应全部计入套内使用面积;坡屋顶无结构顶层楼板,不能利用坡屋顶空间时不应计算其使用面积;1 应按全楼各层外墙结构外表面及柱外沿所围合的水平投影面积之和 求出住宅楼建筑面积,当外墙设外保温层时,应按保温层外表面计算; 2 应以全楼总套内使用面积除以住宅楼建筑面积得出计算比值; 3 套型总建筑面积应等于套内使用面积除以计算比值所得面积,加上套型阳台面积。4 当住宅建筑标准层层高大于 4.9m 时,不论层内是否有隔层,建筑面积的计算值按该层水平投影面积的 2 倍计算;当住宅建筑层高大于 7.60m 时,不论层内是否有隔层,建筑面积的计算值按该层水平投影面积的 3 倍计算。1 当住宅楼所有楼层的层高不大于 3.00m 时,层数应按自然层数计;2 当住宅和其他功能空间处于同一建筑物内时,应将住宅部分的层数与其他功能空间的层数叠加计算建筑层数。当建筑中有一层或若干层的层高大于 3.00m 时,应对大于 3.00m 的所有楼层按其高度总和除以 3.00m 进行层 数折算,余数小于 1.50m 时,多出部分不应计入建筑层数,余数大于或等于 1.50m 时,多出部分应按 1 层计算;3 层高小于 2.20m 的架空层和设备层不应计入自然层数;4 高出室外设计地面小于 1.50m 的半地下室不应计入地上自然层数。5.1.1 住宅应按套型设计,每套住宅应设卧室、起居室(厅)、厨房和卫生间等基本功能空间。1 由卧室、起居室(厅)、厨房和卫生间组成的套型,其使用面积不应 小于 32㎡; 2 由兼起居的卧室、厨房和卫生间等组成的最小套型,其使用面积不应小于 24㎡。5.1.5 套型设计宜进行模数协调设计。功能分区应明确合理,做到洁污分离、 动静分离。应合理安排各空间的序列,减少交通面积,组织好公共空间和私 密空间的关系,避免相邻住户的视线干扰。5.2.2 双人卧室的短边净宽不宜小于 2.80m;单人卧室的短边净宽不宜小于2.20m。5.3.1 起居室(厅)的使用面积不应小于 11㎡。5.3.2 起居室(厅)的短边净宽不宜小于 3.00m。5.3.3 起居室(厅)内门洞设置应根据使用功能的要求,减少直接开向起居室(厅)的门洞的数量,且布置家具的墙面直线长度宜大于 3.00m。5.3.4 套型内无独立的餐厅时,起居室应兼有用餐的空间。5.3.5 无直接采光的餐厅、过厅等,其使用面积不宜大于 10㎡。 5.4.1 由兼起居的卧室、厨房和卫生间等组成的最小套型,其厨房使用面积不应小于4㎡,由卧室、起居室(厅)、厨房和卫生间组成的套型,其厨房使用面积不应小于 5㎡。5.4.2 厨房应直接采光、自然通风。更多内容关注搜建筑微信5.4.3 厨房应按炊事操作流程整体布置洗涤池、操作台、灶台及排油烟机、 吊柜等设施或为其预留安装位置。5.4.6 单排布置设备的厨房净宽不应小于 1.50m;双排布置设备的厨房其两 排设备之间的净距不应小于 0.90m。 5.5.1 每套住宅应设卫生间,应至少配置便器、洗浴器、洗面器三件卫生设 备或为其预留设置位置及条件。三件卫生设备集中配置的卫生间的使用面积 不应小于 3.00㎡。5.5.2 卫生间可根据使用功能要求组合不同的设备。不同组合的空间使用面 积应符合下列规定:5.5.3 套型内设有两个及以上卧室且仅设置一个卫生间时,洗面器与便器宜分别布置在不同空间。
5.5.4 无前室的卫生间的门不应直接开向起居室(厅)或厨房,且不宜直接 开向餐厅。5.5.5 卫生间不应直接布置在下层住户的卧室、起居室(厅)、厨房和餐厅的上层。5.5.6 当卫生间布置在本套内的卧室、起居室(厅)、餐厅和厨房的上层时,均应有防水、隔声和便于检修的措施。5.5.8 卫生间厕位和淋浴位置的墙内或地面应为扶手预留设置位置及条件,并适当增大厕位和淋浴空间。5.5.10 住宅户内宜设置一个卫生间与卧室相邻,且两房间之间的分隔墙宜 为轻质墙。 5.6.2 套内入口过道净宽不宜小于 1.20m;通往卧室、起居室的过道净宽不应小于 1.00m;通往厨房、卫生间、贮藏室的过道净宽不应小于 0.90m。5.6.3 套内设于底层或靠外墙、靠卫生间的壁柜内部应采取防潮措施。5.6.4 套内楼梯当一边临空时,梯段净宽不应小于 0.75m;当两侧有墙时,墙面之间净宽不应小于 0.90m,并应在其中一侧墙面设置扶手。5.6.5 套内楼梯的踏步宽度不应小于 0.22m;高度不应大于 0.20m,扇形踏 步转角距扶手中心 0.25m 处,宽度不应小于 0.22m。5.6.6 住宅户内的过道宜为无障碍通道;户内承重墙上设置的门应满足通行净宽度不小于 800mm 的要求或预留改造的条件。5.7.2 阳台栏杆设计必须采用防止儿童攀登的构造,栏杆的垂直杆件间净距不应大于 0.11m,放置花盆处必须采取防坠落措施。5.7.3 阳台栏板或栏杆净高不应低于 1.10m。5.7.4 顶层阳台应设置雨罩,各套住宅之间毗连的阳台应设分户隔板。隔板的设置应符合安全的要求。5.7.5 阳台、雨罩均应采取有组织排水措施,开敞阳台及雨罩应采取防水措 施。5.7.6 当阳台设有洗衣设备时应符合下列规定:1 应设置专用给、排水管线及专用地漏,阳台楼、地面均应做防水;2 阳台应采用封闭阳台,并应采取保温措施。5.7.7凹口内不宜设置卧室、起居室(厅),设置卧室、起居室(厅)的凹 口应符合以下规定: 3 当凹口净宽小于 1.80m 时,应设置防盗窗或采取相应的防攀爬措施。5.8.2 卧室、起居室的室内净高不应低于 2.50m。局部净高不应低于 2.20m, 且其面积不应大于室内使用面积的 1/3。5.8.3 利用坡屋顶内空间作卧室、起居室(厅)时,至少有 1/2 的使用面积的室内净高不应低于 2.20m。5.8.4 厨房、卫生间的室内净高不应低于 2.20m。更多内容关注搜建筑微信5.8.5 厨房、卫生间内排水横管下表面与楼面、地面净距不得低于 2m,且不得影响门、窗开启。6.1.1 公共出入口处应有标识,建筑高度大于 27m 的住宅公共出入口应设门厅。 6.1.2 公共出入口台阶高度超过 0.70m 并侧面临空时,应设置防护设施,防 护设施净高不应低于 1.10m。6.1.3 公共出入口台阶踏步高度不宜大于 0.15m,并不应小于 0.10m,宽度 不应小于 0.30m,踏步高度应均匀一致,并应采取防滑措施。台阶踏步数不 应少于 2 级,当高差不足 2 级时,应按坡道设置,并应符合无障碍的坡度要求。台阶宽度大于 1.80m 时,两侧宜设置栏杆扶手。6.1.4 主要出入口与室外地面有高差时,应设置无障碍出入口。6.1.5 主要出入口的门厅宜设置轮椅停留的空间。6.1.6 公共出入口应设平台,建筑高度 18m及18m以下的住宅平台深度不应小于 1.50m, 建筑高度18m以上的住宅平台深度不应小于2.00m,并应采取 防滑措施。6.1.7 位于阳台、外廊及开敞楼梯平台下部的公共出入口,应采取防止物体坠落伤人的安全措施。6.1.8 住宅中作为主要通道的外廊宜为封闭外廊,并应设置可开启的窗扇。走廊通道的净宽不应小于 1.20m,局部净高不应低于 2.00m。疏散走道和首 层主要疏散外门的净宽不应小于 1.20m。6.1.9 住宅建筑不宜以联系廊的形式借用疏散楼梯和电梯。确有困难时,联系廊的净宽不应小于 1.10m,局部净高不应低于 2.00m。6.1.10 建筑高度大于 27m 的住宅,其直通室外的安全出入口上方安全措施 的挑出宽度不应小于 1m。6.1.11 外廊、内天井等临空处的栏杆净高不应低于 1.10m,上人屋面临空 处的栏杆净高不应低于 1.20m。防护栏杆必须采用防止儿童攀登的构造,栏杆的垂直杆件间净距不应大于 0.11m。放置花盆处必须采取防坠落措施。6.1.12 住宅的公共出入口与附建公共用房及其他非住宅部分的出入口、安 全出口和疏散楼梯应分开布置。6.2.1 住宅建筑安全出口的设置应符合下列规定:1 建筑高度不大于 27m 的住宅建筑,当每个单元任一层的建筑面积大于 650m²,或任一户门至最近安全出口的距离大于 15m 时,每个单元每层的安全出口不应少于 2 个。 2 建筑高度大于 27m,但不大于 54m 的住宅建筑,当每个单元任一层的建筑面积大于 650m²,或任一户门至最近安全出口的距离大于 10m 时,每个单元每层的安全出口不应少于 2 个。 3 建筑高度大于 54m 的住宅建筑,每个单元任一层的安全出口设置不应少于 2 个。6.2.2 建筑高度大于 27m,但不大于 54m 的住宅建筑,每个单元设置一座疏散楼梯时,疏散楼梯应通至屋面,且单元之间的疏散楼梯应能通过屋面连通, 户门应采用乙级防火门。当不能通至屋面或不能通过屋面连通时,应设置 2 个安全出口。6.2.3 住宅建筑的安全出口净宽度应经计算确定,且不应小于 0.90m。当设 有 2 个安全出口时,应分散布置且 2 个安全出口之间的距离不应小于 5m。6.2.4 楼梯间及前室的门应向疏散方向开启。更多内容关注搜建筑微信6.3.1 住宅建筑的楼梯间形式应根据建筑形式、建筑高度、建筑面积以及户门的耐火等级等因素确定。楼梯间不宜设置在建筑的尽端和转角处。1 建筑高度不大于 21m 的住宅建筑,疏散楼梯不与电梯井相邻布置; 2 建筑高度不大于 21m 的住宅建筑,疏散楼梯与电梯井相邻布置,但 户门采用乙级防火门;3 建筑高度大于 21m、不大于 33m 的住宅建筑,户门采用乙级防火门。6.3.3 符合下列条件时,应设置封闭楼梯间:1 建筑高度不大于 21m 的住宅建筑,与电梯井相邻布置的疏散楼梯;2 建筑高度大于 21m、不大于 33m 的住宅建筑,且户门未采用乙级防 火门。6.3.4 建筑高度大于 33m 的住宅建筑应设置防烟楼梯间。6.3.5 当设置防烟楼梯间时,户门不宜直接开向前室,确有困难时,每层开 向同一前室的户门不应大于 3 樘且应采用乙级防火门。6.3.6 住宅单元疏散楼梯,当分散设置确有困难且任一户门至最近疏散楼梯间入口的距离不大于 10m 时,可采用剪刀楼梯间,但应符合下列规定: 2 梯段之间应设置耐火极限不低于 1.00h 的防火隔墙; 3 楼梯间的前室不宜共用;共用时,前室的使用面积不应小于 6.0m²; 4 楼梯间的前室或共用前室不宜与消防电梯的前室合用,合用时,合用 前室的使用面积不应小于 12. 0m²,且短边不应小于 2. 4m。6.3.7 剪刀梯的两个楼梯应在走道或屋顶连通,也可在前室连通。6.3.8 住宅建筑的疏散楼梯总净宽度应经计算确定。18m 以上的住宅建筑疏散楼梯,其净宽度不应小于 1.10m。18m 及 18m 以下的住宅中一边设置栏杆的疏散楼梯,其净宽度不应小于 1.0m。6.3.9 住宅的公共楼梯,同一楼梯梯段的踏步宽度、高度应均匀一致,楼梯踏步宽度不应小于 0.26m,踏步高度不应大于 0.175m。不设置电梯的住宅,楼梯踏步的宽度宜大于 0.28m,踏步高度宜小于等于 0.16m,且宜设置双侧 扶手。扶手高度不应小于 0.90m。楼梯水平段栏杆长度大于 0.50m 时,其扶 手高度不应小于 1.10m。楼梯栏杆垂直杆件间净空不应大于 0.11m。6.3.10 楼梯平台净宽不应小于楼梯梯段净宽,且不得小于 1.20m。楼梯平台的结构下缘至人行通道的垂直高度不应低于 2.00m。入口处地坪与室外地面 应有高差,并不应小于 0.10m。6.3.11 楼梯为剪刀梯时,楼梯平台的净宽不得小于 1.30m。6.3.12 楼梯井净宽大于 0.11m 时,必须采取防止儿童攀滑的措施。6.4.1 四层及四层以上新建住宅建筑或住户入口层楼面距室外设计地面的高度超过 9m 的新建住宅建筑,必须设置电梯,每个设置电梯的居住单元应至少设有 1 台可容纳担架的电梯。6.4.2 十二层及十二层以上或住户入口层楼面距室外设计地面的高度超过33m 时,每个居住单元设置电梯不应少于两台。二十五层及二十五层以上或 住户入口层楼面距室外设计地面的高度超过 72m,同时单台电梯服务户数大 于 90 户时,每栋楼设置电梯不宜少于三台。6.4.3 可容纳担架的电梯的额定载重量不应小于 1000kg,轿厢最小尺寸不应 小于 1.50m×1.60m,轿厢门净宽不应小于 0.90m。6.4.4 设置电梯的住宅,每居住单元至少应设置 1 部能直达户门层的无障碍电梯。6.4.5 四层及四层以上住宅电梯应在设有户门和公共走廊的每层设站。住宅电梯应采用节能型电梯,且宜成组集中布置,并采用群控联动的节能控制措 施。6.4.6 候梯厅深度不应小于多台电梯中最大轿厢的深度,且不应小于 1.50m。候梯厅应采取防滑措施。6.4.5 电梯不应紧邻卧室布置。当受条件限制,电梯不得不紧邻兼起居的卧室布置时,应采取隔声、减振的构造措施。6.4.6 建筑高度大于 33m 的住宅建筑应设置消防电梯。消防电梯前室的使用 面积不应小于 6.0m²,前室的短边不应小于 2.4m。 6.5.1 住宅建筑内严禁布置存放和使用甲、乙类火灾危险性物品的商店、车间和仓库,以及产生噪声、振动和污染环境卫生的商店、车间和娱乐设施。6.5.2 住宅建筑内不应布置易产生油烟的餐饮店及变配电机房,当住宅底层 商业网点布置有刺激性气味或噪声的配套用房,应采取排气、消声处理。6.5.3 水泵房、冷热源机房等公共机电用房不宜设置在住宅主体建筑内,不宜设置在与住户相邻的楼层内,在无法满足上述要求贴临设置时,应增加隔 声减振处理。6.5.4 设置商业服务网点的住宅建筑,其居住部分与商业服务网点之间应采用耐火极限不低于 2. 00h 且无门、窗、洞口的防火隔墙和 1. 50h 的不燃性 楼板完全分隔,住宅部分和商业服务网点部分的安全出口和疏散楼梯应分别独立设置。6.6.1 卧室、起居室(厅)、厨房不应布置在地下室;当布置在半地下室时,必须对采光、通风、日照、防潮、排水及安全防护采取措施,并不得降低各项指标要求。6.6.2 住宅的地下室、半地下室做自行车库、电动自行车库和设备用房时,其净高不应低于 2.00m;当住宅的地上架空层及半地下室做机动车停车位时,其净高不应低于 2.20m。6.6.3 地上住宅楼、电梯间宜与地下车库连通,并宜采取安全防盗措施。6.6.4 直通住宅单元的地下楼、电梯间入口处应设置乙级防火门,严禁利用 楼、电梯间为地下车库进行自然通风。6.6.5 地下室、半地下室应采取有效的防水、防潮及通风措施,采光井应采 取排水措施和防护措施。7.1.1 窗外没有阳台或平台的外窗,窗台距楼面、地面的净高低于 0.90m 时, 应设置防护设施。7.1.3 东、西、南向不宜设置凸窗,当设置凸窗,且窗台距楼面净高低于 0.90m时,应设置防护设施,防护高度从窗台面起算不应低于 0.90m,并应贴窗设 置。7.1.4 面临走廊、共用上人屋面或凹口的窗,应避免视线干扰。向走廊开启 的窗扇不应妨碍交通。7.1.5 住宅建筑应在首层出入口(单元门)安装电控防盗门;住宅底层车库内通往各单元入口处也应安装电控防盗门。7.1.6 当发生火警时,疏散通道上和出入口处的门禁应能集中解锁或能从内 部手动解锁。7.1.7 住宅的外窗遇下列情况时应设置入侵防范措施:1 首层各外窗,包括封闭阳台的窗和不封闭阳台从室外通向阳台的门窗。2 其它层的外窗窗台距下部屋顶平台、大挑檐、公共走廊的地面等不 足 2m 的门窗。 7.1.8 户门应采用具备防盗、保温、隔声功能的防护门。向外开启的时候不 应妨碍公共交通及相邻户门开启。7.1.9 外窗安全防护措施宜与窗体一体化设计制作。7.1.10 厨房、卫生间及贮藏室的门应在下部设置有效截面积不小于 0.02m2 的固定百叶,也可距地面留出不小于 30mm 的缝隙。7.1.11 各部位门扇最小净尺寸应符合表 7.1.11 的规定。7.2.2 住宅设计应在方案设计阶段布置信报箱和智能快件箱的位置。信报箱 宜设置在住宅单元主要入口处。7.2.3 设有单元安全防护门的住宅,信报箱和智能快件箱的投递口应设置在 门禁以外。当通往投递口的专用通道设置在室内时,通道净宽不应小于 0.6m。7.2.4 信报箱和智能快件箱的投取信件、快件口设置在公共通道位置时,通 道的净宽应从信报箱和智能快件箱的最外缘起算。7.2.5 信报箱和智能快件箱的设置不得降低住宅基本空间的天然采光和自然通风标准。7.2.6 信报箱和智能快件箱设计应选用定型产品。选用嵌墙式信报箱时应设 计洞口尺寸和安装、拆卸预埋件位置。7.2.7 信报箱的设置宜利用共用部位的照明,但不得降低住宅公共照明标 准。7.2.8 选用智能信报箱、智能快件箱时,应预留必要的安装条件。7.3.1 当阳台或建筑外墙设置空调室外机时,其安装位置应符合下列规定:2 在排出空气一侧不应有遮挡物,应满足室外机散热需求;3 应为室外机安装和维护提供方便操作的条件;4 安装位置不应对室外人员形成热污染。 7.3.2 空调室外机的冷凝水不得接入屋面雨水管及阳台排水管。7.3.3 住宅的空调室外机应在建筑设计中一体化考虑,搁板设计应有序、隐 蔽、美观。7.3.4 当相邻套住宅的空调室外搁板共用或相邻设置时,应采取安全隔离措 施防止相邻住户间互相影响。7.4.1 无外窗的卫生间应设共用排气道,且卫生间的共用排气道与厨房的共用排气道应分别设置。7.4.2 共用排气道应采用能够防止各层回流的定型产品。排气道断面尺寸应根据层数确定,排气道接口部位应安装支管接口配件,厨房排气道接口直径 应大于 150mm,卫生间排气道接口直径应大于 80mm。7.4.3 共用排气道、管道井应与厨房、卫生间的设施紧密结合布置,在满足 功能使用的条件下应设置紧凑合理,美观实用。7.4.4 竖向排气道屋顶风帽的安装高度不应低于相邻建筑砌筑体。排气道的 出口设置在上人屋面、住户平台上时,应高出屋面或平台地面 2m;当周围4m 之内有门窗时,应高出门窗上皮 0.60m。7.4.5 管道井、建筑内的电梯井等竖井应符合下列规定:1 电缆井、管道井、排烟道、排气道等竖向井道,应分别独立设置。井壁的耐火极限不低于 1. 00h, 井壁上的检査门应采用丙级防火门;2 住宅内的电缆井、管道井应在每层楼板处采用不低于楼板耐火极限 的不燃材料或防火封堵材料封堵。7.4.6 电梯门的耐火极限不应低于 1.00h。7.5.1 住宅建筑外墙上、下层开口之间应设置高度不小于 1.2m 的实体墙或挑出宽度不小于 1.0m、长度不小于开口宽度的防火挑檐;当室内设置自动喷 水灭火系统时,上、下层开口之同的实体墙高度不应小于 0.8m。当上、下层开口之间设置实体墙确有困难时,可设置防火玻璃墙,但高层建筑的防火玻 璃墙的耐火完整性不应低于 1.00h,建筑高度不大于 27m 的建筑的防火玻璃墙的耐火完整性不应低于 0.50h。外窗的耐火完整性不应低于防火玻璃墙的 耐火完整性要求。7.5.2 住宅建筑外墙上相邻户开口之间的墙体宽度不应小于 1.0m;小于 1.0m 时,应在开口之间设置突出外墙不小于 0.6m 的隔板。7.5.3 住宅建筑墙体保温材料宜采用燃烧性能为 A 级的保温材料,不应采用B2 级保温材料,不应采用 B3 级保温材料。7.5.4 建筑的屋面外保温系统,不应低于 B1 级。采用 B1 级保温材料的外保温系统应采用不燃材料做防护层,防护层厚度不应小于 10mm。7.5.5 当建筑的屋面和外墙外保温系统均采用 B1 级保温材料时,屋面与外墙之间应采用宽度不小于 500mm 的不燃材料设置防火隔离带进行分隔。2 建筑外墙为难燃性墙体时,防火墙应凸出墙的外表面 0.4m 以上,且 防火墙两侧的外墙均应为宽度均不小于 2.0m 的不燃性墙体,其耐火极限不 应低于外墙的耐火极限;3 建筑外墙为不燃性墙体时,防火墙可不凸出墙的外表面,紧靠防火 墙两侧的门、窗、洞口之间最近边缘水平距离不应小于 2.0m;采取设置乙级 防火窗等防止火灾水平蔓延的措施时,该距离不限。7.5.7 建筑内的防火墙不宜设置在转角处,确需设置时,内转角两侧墙上的 门、窗、洞口之间最近边缘的水平距离不应小于 4.0m;采取设置乙级防火窗等防止火灾水平蔓延的措施时,该距离不限。7.5.8 疏散楼梯间靠外墙设置时,楼梯间、前室及合用前室外墙上的窗口与 两侧门、窗 、洞口最近边缘的水平距离不应小于 1.00m。 7.5.10 建筑高度大于 54m 的住宅建筑,每户应有一间房间符合下列规定:2 内、外墙体的耐火极限不应低于 1.00h,该房间的门宜采用乙级防火门,外窗的耐火完整性不宜低于 1.00h。8.1.1 每套住宅应至少有一个居住空间能获得冬季日照。8.1.2 需要获得冬季日照的居住空间的日照标准不应低于大寒日日照时数2h,且窗洞开口宽度不应小于 0.60m。8.2.1 卧室、起居室(厅)、厨房应有直接天然采光。8.2.2 卫生间宜有直接天然采光。当住宅套内设置三个及三个以上卫生间时,应至少有一个卫生间能获得直接天然采光。8.2.3 卧室、起居室(厅)、厨房的采光不应低于采光等级Ⅳ级的采光标准值,侧面采光的采光系数不应低于 2%,且应进行采光计算。8.2.4 卧室、起居室(厅)的采光窗洞口的窗地面积比不应低于 1/6,厨房的采光窗洞口的窗地面积比不应低于 1/7。8.2.5 当卫生间、楼梯间设置采光窗时,采光窗洞口的窗地面积比不应低于1/12。8.2.6 采光窗的窗洞口上沿距地面高度不宜低于 2.00m。8.2.7 住宅建筑的公共门厅、楼梯间、走廊等公共空间和地下的商业、管理用房等地下空间宜有直接天然采光。8.3.1 卧室、起居室(厅)、厨房应有自然通风。8.3.2 住宅的平面空间组织、剖面设计、门窗的位置、方向和开启方式的设置,应有利于组织室内自然通风。单朝向住宅宜采取改善自然通风的措施。8.3.3 每套住宅的自然通风开口面积不应小于地面面积的 5%。8.3.4 采用自然通风的房间,其直接或间接自然通风开口面积应符合下列规定:1 卧室、起居室(厅)、明卫生间的直接自然通风开口面积不应小于该房 间地板面积的 1/15;当采用自然通风的房间外设置封闭阳台时,阳台的自然通风开口面积不应小于采用自然通风的房间和阳台地板面积总和的 1/15; 2 厨房的直接通风开口面积不应小于该房间地板面积的 1/10,并不得小于 0.60m²。当厨房外设置封闭阳台时,阳台的自然通风开口面积不应小于厨房和阳台地板面积总和的 1/10,并不得小于 0.60m²。8.3.5 住宅的自然通风开口应采取可调节换气量的措施。 8.4.1 卧室、起居室(厅)内的噪声级,应符合下列规定:1 昼间卧室内的允许噪声级(等效连续 A 计权声级)不应大于 45dB;2 夜间卧室内的允许噪声级(等效连续 A 计权声级)不应大于 35dB; 3 起居室(厅)的允许噪声级(等效连续 A 计权声级)不应大于 45dB。8.4.2 分户墙和分户楼板的空气声隔声性能应符合下列规定:
1 分户墙和分户楼板,空气声计权隔声量+粉红噪声频谱修正量(Rw+C)应大于 50dB; 2 分隔住宅和非居住用途空间的楼板,空气声计权隔声量+交通噪声频谱修正量(Rw+Ctr)应大于 51dB。8.4.3 卧室、起居室(厅)的分户楼板的计权规范化撞击声压级(Ln,w)应小 于 65dB。8.4.4 住宅建筑的体形、朝向和平面布置应有利于噪声控制。卧室,起居室(厅)宜布置在背向噪声源的一侧。8.4.5 当卧室,起居室(厅)布置在噪声源一侧时,外窗应采取隔声降噪措施,其空气声计权隔声量+交通噪声频谱修正量(Rw+Ctr)不应小于 30dB。8.4.6 当内天井、凹天井中设置相邻户间窗口时,宜采取隔声降噪措施,且卧室及起居室的外窗的空气声计权隔声量+交通噪声频谱修正量(Rw+Ctr) 应不小于30dB。8.4.7 当居住空间与可能产生噪声的房间相邻时,分隔墙和分隔楼板应采取隔声降噪措施;设置空调室外机时,应采取控制噪声和振动的措施。8.4.8 电梯不宜紧邻起居室(厅)布置。受条件限制起居室(厅)紧邻电梯布 置时,应采取有效的隔声和减振措施。8.4.9 水、暖、电、气管线穿过楼板和墙体时,孔洞周边应采取密封隔声措施。8.4.10 生活加压水泵应选用低噪声节能型产品,生活加压泵组及泵房应采 取减振防噪措施。8.4.11 排水立管不应设置在卧室内,且不宜设置在靠近与卧室贴邻的内墙。排水立管宜采用低噪声管材。 8.5.1 住宅的屋面宜采用浅色饰面、增加屋顶绿化等隔热措施。8.5.2 居住空间应根据不同朝向的需要设置外遮阳设施,并与建筑外窗进行一体化设计。8.5.3 住宅的屋面、地面、外墙、外窗应采取防止雨水和冰雪融化水侵入室内的措施。8.5.4 住宅的屋面和外墙的内表面在设计的室内温度、湿度条件下不应出现8.6.1 住宅室内装修设计宜进行环境空气质量预评价。8.6.2 在选用住宅建筑材料、室内装修材料以及选择施工工艺时,应控制有害物质的含量,并宜选用具有改善室内环境功能的材料。8.6.3 住宅室内空气污染物的活度和浓度应符合表 8.6.3 的规定。9.1.1 住宅结构设计应满足建筑使用功能的要求。9.1.2 住宅结构设计的活荷载、风荷载、雪荷载、永久荷载不得小于现行国 家标准《建筑结构荷载规范》GB 50009 的规定。9.1.3 住宅结构的设计使用年限不应低于 50 年,安全等级不应低于二级。9.1.4 住宅建筑结构应进行抗震设计,抗震设防类别不应低于丙类。抗震设 防烈度、设计基本地震加速度值和设计地震分组应按现行国家标准《建筑抗 震设计规范》GB 50011 的规定执行。9.1.5 住宅结构应应体型简单、规则,避免采用对抗震不利的结构,设计应根据抗震概念设计的要求明确形体的规则性;不规则的应按规定采取加强措 施;特别不规则的应进行专门研究和论证,采取特别的加强措施;不应采用严重不规则的建筑。9.1.6 住宅建筑结构材料应具有符合现行国家标准《混凝土结构设计规定》GB 50010 规定的力学性能、工艺性能和耐久性能,并宜符合节约资源和保护环境的原则。9.1.7 住宅建筑结构应能承受在建造和正常使用过程中可能发生的各种作 用和环境影响。在结构设计工作年限内,住宅建筑结构和结构构件应满足安 全性、适用性和耐久性要求。9.1.8 住宅建筑应避免因局部破坏而导致整个结构丧失承载能力和稳定性。9.1.9 抗震设防烈度为 8 度及以上的住宅结构可采用隔震或消能减震结构,并应按国家现行标准《建筑抗震设计规范》GB 50011 和《建筑消能减震技术规程》JGJ 297 的规定执行。9.2.1 住宅结构的设计可分为高层及多层住宅结构设计体系。9.2.2 多层住宅结构体系,可采用砖砌体、砌块砌体(包括混凝土砌块、轻集料混凝土砌块的无筋和配筋砌体)结构,也可采用全现浇钢筋混凝土剪力 墙结构、装配整体式混凝土结构、钢(轻)结构等结构体系。砖砌体不得采 用烧结粘土砖、烧结页岩砖;基础(±0)以上部位不得采用实心砖。9.2.3 高层住宅结构体系,可采用全现浇钢筋混凝土剪力墙结构、装配整体 式混凝土结构、装配式钢结构、钢-混凝土混合结构等结构体系。9.2.4 多层砌体结构的层数、总高度和总长度不应超过表 9.2.4-1 与表9.2.4-2 的规定:注:各层横墙较少的多层砌体住宅总高度应比表 9.2.4-1 中的规定降低 3m,层数减少一层;各层横墙 很少的多层住宅房屋,还应再减少一层,同时应对其体型规则性、楼板整体性及横墙开洞率加以限制。注:墙体伸缩缝应与结构的其他变形缝相重合,缝的宽度应满足各种变形缝的变形要求,在进行立面处理时,应保证其缝隙的变形作用。9.2.5 钢筋混凝土住宅的最大适用高度应满足表 9.2.5 的规定:注:1、房屋高度指室外地面到主要屋面的高度,不包括局部出屋顶的部分;3、部分框支剪力墙结构指首层或底部两层为局部框支的结构,不包括仅个别为框支墙的结构;5、装配整体式剪力墙结构和装配整体式框支剪力墙结构,在规定水平力作用下,当预制剪力墙构 件底部承担的总剪力大于该层总剪力的 50%时,其最大适用高度应适当降低;当预制剪力墙构件 底部承担的总剪力大于该层总剪力的 80%时,最大适用高度应取表 9.2.5 中括号内的数值;6、高层装配整体式剪力墙结构适用的最大高宽比不宜超过 5.0,当高宽比大于 4.0 时应补充结构在设防烈度水平地震多用下的内力分析。9.2.6 钢筋混凝土住宅的抗震等级应按表 9.2.6 确定:9.2.7 现浇钢筋混凝土剪力墙住宅结构,剪力墙两端和洞口两侧应设置边缘 构件,边缘构件包括暗柱、端柱和翼墙;剪力墙底层墙肢的底截面的轴压比大于表 9.2.7 规定的一、二、三级剪力墙底部加强部位及相邻的上一层墙肢 两端应设约束边缘构件。9.2.8 部分框支剪力墙结构,底部加强部位及相邻的上一层墙肢两端应设置 符合约束边缘构件要求的翼墙或端柱,洞口两侧应设置约束边缘构件;不落 地剪力墙应在底部加强部位及相邻的上一层的墙肢两端设置约束边缘构件。9.2.9 墙肢两端及洞口两侧未设约束边缘构件时均应设置构造边缘构件。9.2.10 当地下室顶板作为上部结构的嵌固部位时,地下一层剪力墙墙肢端 部边缘构件纵向钢筋的截面面积,不应少于地上一层对应墙肢端部边缘构件 纵向钢筋的截面面积。9.2.11 装配式钢结构住宅的最大使用高度应按表 9.2.11 确定:9.2.12 装配式钢结构住宅的抗震等级应按如下要求:当高度小于等于 50m时为三级,当高度大于 50m 时为二级。9.2.13 轻钢轻混凝土结构住宅最大适用高度及层数限值应按表 9.2.13 确定。
9.2.14 住宅建筑当需要采用外围护系统时,应保证住宅结构的安全。外围 护系统的设计使用年限应与主体结构相协调。9.3.1 住宅均应进行抗震设计。住宅结构抗震设计地震作用应根据抗震类别、抗震设防烈度、基本地震加速度、设计地震分组,并应按国家现行标准《建筑抗震设计规范》GB 50011 及《高层建筑混凝土结构技术规程》JGJ 3的规定采用。9.3.2 住宅永久荷载标准值应充分考虑隔墙自重、地面做法及装修自重。9.3.3 楼面均布活荷载标准值应按表 9.3.3 取值:注:设计楼面梁、墙、柱及基础时,上述楼面荷载标准值折减系数按国家现行规范《建筑结构荷载 规范》GB50009-2012 的规定取值。9.3.4 屋面均布活荷载标准值应按表 9.3.4 取值:9.3.5 基本风压应按国家现行规范《建筑结构荷载规范》GB 50009 的规定采 用,对于房屋高度大于 60m 的高层住宅承载力设计时应按基本风压的 1.1 倍采用。9.3.6 地基承载力验算,天然地基及复合地基均应按下列公式进行承载力验算:2 偏心荷载作用下,除应符合本规范式(9.3.6-1)外,并应符合下式要 求:4 地基压缩层范围有软弱下卧层时,应按下式验算软弱下卧层的地基承载力9.4.1 住宅建筑选择建造场地时,应根据工程需要及北京地震活动情况、工 程地质和地震地质的有关资料,对抗震有利、一般、不利和危险地段做出评 价。对不利地段,应尽量避开,当无法避开时应采取有效的措施。不应在危 险地段建造住宅。
9.4.2 无地下室的多层住宅,在满足地基稳定和强度、变形要求的前提下,基础宜浅埋,但埋深不应小于冻结深度。基础如采用灰土垫层,埋深应算至 垫层上皮,若为混凝土垫层,应算至垫层底面。9.4.3 高宽比大于 4 的高层住宅,在地震作用下基础底面不宜出现脱离区 (零应力区);其他住宅,基础底面与地基土之间脱离区(零应力区)面积 不应超过基础底面面积的 15%。9.4.4 住宅基础设计应根据地质条件、结构类型及使用功能、建筑高度及体 型、荷载大小及分布情况、有无地下室及其利用情况、相邻建筑的基础情况、 工程建设地区经验、施工条件及材料供应情况、抗震设防标准等因素进行综合分析。应选择经济合理的基础形式,并应保证本建筑物及周围建筑物不致 产生过量沉降或倾斜,并应满足建筑物的正常使用。9.4.5 墙下条形基础及柱下条形基础的基础面积计算时,条形基础相交处, 不应重复计入基础面积。9.4.6 与住宅建筑临近的永久性边坡的设计工作年限,不应低于受其影响的住宅建筑的结构设计工作年限。 9.5.1 钢筋混凝土楼(屋)盖应分现浇整体式、预制装配式及预制装配叠合 整体式。9.5.2 钢筋混凝土现浇楼板的设计厚度不宜小于 120mm。9.5.3 阳台、雨篷、空调板等属悬挑构件,悬挑部分除按一般悬臂板、悬臂 梁计算外,对支撑悬挑构件的非悬挑部分,应进行受弯、受剪和受扭承载能 力的验算。9.5.4 室外悬挑构件厚度不应小于 100mm。9.5.5 雨篷需根据实际情况,应考虑积水荷载的要求。1 砌体结构住宅应符合现行国家标准《建筑抗震设计规范》GB 50011及《砌体结构设计规范》GB 50003 的规定;2 应采取有效措施加强屋面、外墙或外露构件的保温设计,减少温度 变化和日照变化对混凝土构件产生的不利影响。屋面应设置保温隔热层; 5 顶层及女儿墙砂浆强度等级不应低于 M7.5(Mb7.5、Ms7.5);6 屋顶女儿墙应设置构造柱,构造柱间距不宜大于 4m,构造柱钢筋应 锚入顶层屋面板下设置的现浇钢筋混凝土圈梁内,并应伸至女儿墙顶,与现浇混凝土压顶浇筑在一起;7 底层和顶层(包括跃层) 应沿外墙在窗台标高处设置通长现浇钢筋混凝土窗台梁,高度不应小于 120mm,且宜为砌块模数,宽度同墙宽,混凝土强度等级不应小于 C20,纵筋不应少于 4φ10,箍筋φ6@200;其它层沿 外墙在窗台标高处应设置通长现浇钢筋混凝土板带,板带的混凝土强度等级 不应小于 C20,纵向配筋不宜少于 3φ8。上述纵向钢筋均应与构造柱可靠连 接。1 钢筋混凝土结构住宅应符合国家现行标准《混凝土结构设计规范》 GB 50010、《建筑抗震设计规范》GB 50011 及《高层建筑混凝土结构技术规程》JGJ 3 的规定;2 住宅设计时建筑平面宜规则,避免平面形状突变。当平面有凹口及洞口时,凹口、洞口周边楼板的配筋宜适当加强。当楼板平面形状不规则时,宜设置梁使之形成较规则的平面。屋面板及板厚大于等于 160mm 的楼板, 跨中上部钢筋应将支座1/2负筋面积拉通或另设Ø8@200mm钢筋网并与支座 负筋搭接; 4 住宅长度大于 40m 时,宜在房屋中部设置后浇带。超长结构应进行 温度变形分析,并采取有效措施减少温度应力产生的影响。 5 预埋管线不应集中通过楼板,应分散布置,在同一位置管线重叠不得超过两层,管线应布置在上下层钢筋网片之间,并使管壁至板上下边缘净距不应小于 25 ㎜。若在跨中没有上排钢筋,则沿管线方向在板的上表面增 设φ6 双向间距 100 宽 600 ㎜的钢筋网片,多根管线并排时,增设钢筋网片 的宽度应超出管线每边 300 ㎜。6 现浇剪力墙结构伸缩缝最大间距在土中或室内时应为 45m、露天时 应为 30m。当有充分依据和可靠措施时,伸缩缝间距可适当增大。9.6.3 住宅剪力墙结构设置转角窗时,构造做法应符合下列规定:1 角窗两侧墙肢厚度当为高层时不应小于 200mm;多层时不应小于180mm;2 角窗两侧墙肢长度,当为一字型墙肢时,除满足强度要求外尚应大 于 8 倍墙厚及角窗悬挑长度 1.5 倍的较小值; 3 角窗折梁配筋应加强,并按抗扭构造配置箍筋及腰筋; 4 角窗折梁上下主筋伸入墙内的锚固长度应≥
,顶层时折梁上铁 端部另加 5d 向下的直勾,主筋锚入墙范围内的墙体竖向分布筋应向内弯折 并钩住梁主筋;5 角窗两侧墙体应沿全高设置约束边缘构件,约束边缘构件(暗柱)长度不宜小于 3 倍墙厚且不应小于 600mm; 6 转角窗房间的楼板应适当加厚,应采用双层双向配筋,板内宜设置 连接两侧墙端暗柱的暗梁。多层住宅角窗处的板厚不应小于 120mm,高层住宅角窗处的板厚不应小于 140mm。10.1.1 建筑设备设计应满足住宅建筑功能需求,做到安全可靠、经济合理、技术先进、便于施工及维护,并应设置消防设施、供暖设施及室内给排水系统。10.1.2 建筑设备设计应采用符合国家现行有关技术标准的节能环保、高效 的产品,不应使用已被国家淘汰的产品。2 设有集中供暖(集中空调)系统时的分户热计量装置; 10.1.4 水表、热量表、燃气表的设置应便于管理。 10.2.1 住宅各类生活供水系统水质应符合国家现行有关标准的规定。10.2.2 住宅给水定额及小时变化系数应符合现行国家标准《建筑给水排水设计规范》GB 50015 及《民用建筑节水设计标准》GB 50555 的规定。10.2.3 居住小区应充分利用市政管网水压直接供水、叠压供水。当城镇给水管网的水压、水量不足时,应设置贮水调节和加压装置。10.2.4 套内用水点压力不应大于 0.2MPa,且不应小于用水器具的最低工作压力。10.2.5 给水管道应采用钢塑复合管、给水不锈钢管或给水铜管或符合饮用 水卫生标准的其他管材。阀门及配件应采用不易锈蚀、无毒、无污染的材质。10.2.6 卫生器具和配件应采用节水型产品,且应符合国家现行标准《节水型生活用水器具》CJ/T 164、《节水型产品通用技术条件》GB/T 18870 的规定,且不得配置一次冲水量大于 6L 的坐便器。10.2.7 有可能结冻的给水、排水管道应有防冻措施,吊顶内或明装给排水 管道应做防结露保温,防结露保护层的计算和构造,可按现行国家标准《设备及管道保冷技术通则》GB/T11790 执行。10.2.8 住宅应设置热水供应设施或预留安装热水供应设施的条件。10.2.9 集中生活热水系统配水点的供水水温不应低于 45°C。10.2.11 住宅小区中水水源的选择要依据水量平衡和技术经济比较确定,并 应首选优质杂排水;当有市政中水时,应优先选用市政中水。10.2.12 中水管道严禁与生活饮用水给水管道连接。10.2.13 中水管道上不得装设取水龙头。当装有取水接口时,必须采取严格 的误饮、误用的防护措施。10.2.14 厨房和卫生间的排水立管应分别设置。排水管道不得穿越卧室。10.2.15 污废水排水横管应设置在本层套内,实现同层排水。10.2.16 污废水排水立管的检查口应每层设置。10.2.17 生活饮用水池(水箱)的上部,不得有污废水及中水管道穿越。10.2.18 屋面雨水管道应采用承压、不易锈蚀的管材,并应符合国家及行业 现行标准的要求。10.2.19 设置淋浴器和洗衣机的部位应设置地漏,设置洗衣机的部位宜采用能防止溢流和干涸的专用地漏。洗衣机设置在阳台上时,其排水不应排入雨 水管。10.2.20 当构造内无存水弯的卫生器具与生活污水管道或其他可能产生有 害气体的排水管道连接时,必须在排水口以下设存水弯。存水弯的水封深度 不得小于 50mm。严禁采用活动机械密封替代水封。10.2.21 地下室、半地下室中低于室外地面的卫生器具和地漏的排水管,不应与上部排水管连接,应设置集水设施用污水泵排出。 10.3.1 住宅的供暖方式,应根据资源情况、环境保护、能源的高效率应用、 用户对供暖空调预期费用的可承受能力等综合因素,经技术经济分析确定。住宅宜设置集中供热系统。10.3.2 热源应根据建筑物规模、用途、建设地点的能源条件、结构、价格以及国家节能减排和环保政策的相关规定等,通过综合论证确定,并应符合 下列规定:1 在有可利用的废热或工厂余热的区域,应优先采用工业废热或工厂 余热;2 不具备第 1 款的条件,但在城市或区域热网供热范围内的地区应优 先采用城市或区域热网;3 在有条件且技术经济合理的情况下,热源宜优先采用可再生能源; 4 除无集中热源且符合下列情况之一者外,在设计时不应采用直接电热供暖设备作为居住建筑供暖的主体热源:无燃气源,用煤、油等燃料受到 环保或消防严格限制的居住建筑;夜间可利用低谷电进行蓄热、且蓄热式电锅炉不在昼间用电高峰时段启用的居住建筑。1 住宅散热器供暖系统应采用不高于 85℃的热水作为热媒,宜按 75℃ /50℃连续供暖进行设计,供回水温差不宜小于 20℃。 2 地面辐射供暖系统应采用不高于 60℃的热水作为热媒,供水温度宜采用 35-45℃,供回水温差不宜大于 10℃,且不宜小于 5℃。3 热水供暖系统应用可靠的水质保证措施,应符合现行行业标准《城镇供热管网设计规范》CJJ 34 的规定。10.3.4 集中供暖系统设计应计算每一供暖房间的热负荷、建筑总热负荷和单位建筑面积热负荷指标。10.3.5 住宅集中供暖的设计应进行室内供暖系统的水力平衡计算,并应通过调整环路布置和管径,使并联环路(不包括公用段)的阻力相对差额不大 于 15%;当不满足要求时,应采取水力平衡措施。10.3.6 设置供暖系统的普通住宅的室内设计温度,不应低于表 10.3.6 的规定。10.3.7 室内主要供暖设施应设置室温自动调控装置。10.3.8 室内采用散热器供暖时,供暖系统的制式宜采用双管式,管道布置 方式宜采用异程式;当采用单管制时,应在每组散热器的进出水支管之间设 置跨越管,且水平串联的散热器不宜超过 6 组,垂直串联不超过 6 层。10.3.9 热水辐射供暖系统应按户划分系统,并配置分水器、集水器;户内 应按主要房间或区域配置独立的环路。1 应采用体型紧凑、便于清扫、使用寿命不低于钢管的散热器,且符 合供暖系统的压力要求。散热器应明装、外表面刷非金属性涂料。 2 埋设在地面垫层内或镶嵌在踢脚板内的管道材质及壁厚,应根据工程的耐久年限、管材的性能以及系统的工作压力、水质要求等条件确定。10.3.11 户式燃气炉应采用全封闭式燃烧、平衡式强制排烟型。10.3.12 住宅应以楼栋为对象设置热量表,并以此作为热量结算点,当住宅含有底商时应分别计量。分户热计量装置的选择应符合现行地方标准《供热计量设计技术规程》DB11/ 1066 的规定。10.3.13 供暖系统设置自动排气阀等设备时应设计在公共空间。10.3.14 集中供热住宅的供暖系统设计,应符合现行地方标准《供热计量设计技术规程》DB11/ 1066 的规定。10.4.1 住宅内各类用气设备应使用低压燃气,用气设备前(灶前)的燃气 压力应在 0.75 倍-1.5 倍燃具额定范围内。10.4.2 燃气引入管宜采用室外地上引入,并在室外操作方便的位置设置引入口阀门及阀门箱。10.4.3 沿外墙或屋面敷设的燃气管道,不得布置在屋面上的檐角、屋檐、 屋脊等易受雷击的部位且应采取有效的防雷措施。10.4.4 户内燃气立管宜设置在具有良好通风条件的厨房或与厨房相连的阳 台内,宜明装设置,不得设置在通风排气竖井内。10.4.5 住宅内燃气表宜明装,可安装在厨房或与厨房相连的阳台内;当燃气表安装在室内相对独立的橱柜内或者集中设置安装在室外的表箱内,应具 有良好通风条件,并符合抄表、安装、维修及安全使用的要求。2 严禁在浴室内安装直接排气式、半密闭式燃气热水器等在使用空间4 燃气热水器等燃气设备应安装在通风良好的厨房、阳台内或其他非居住房间。10.4.7 敞开楼梯间内不应设置燃气体管道,当住宅建筑的敞开楼梯间内确 需设置燃气管道和燃气表时,应采用金属管和设置切断气源的阀门。2 安装燃气设备的房间应预留安装位置和排气空洞位置;其中,安装 燃气热水器的场所还应预留烟气可直接排放至户外大气的排气孔; 4 燃气热水器或供暖炉应设置排至室外的专用废气排气管,不应与排油烟机烟道合用。10.4.9 住宅内燃气管道不得敷设在卧室、起居室(厅)、暖气沟、电缆沟、 烟道、进风道、变电室、配电间和电梯井处。当燃气管道敷设在地下室、半 地下室、设备层和地上密闭房间以及竖井、住宅汽车库时,应对燃气管道采取安全措施。10.4.10 使用燃气的住宅,每套的燃气用量应根据燃气设备的种类、数量和额定燃气量计算确定,且应至少按一个双眼灶和一个燃气热水器计算。10.4.11 使用燃气的高层住宅应采用管道供气,使用可燃气体的房间或部位宜靠外墙设置。10.4.12 住宅内燃气浓度检测报警器、燃气紧急自动切断阀等燃气户内安全设施的设置应符合现行国家标准《城镇燃气设计规范》GB 50028 和现行地方标准《燃气室内工程设计施工验收技术规范》DB11/T 301 的规定。10.5.1 住宅宜采用自然通风与机械通风相结合的复合通风方式。10.5.2 厨房应设置供厨房房间全面通风且有避风、防雨构造的自然通风设 施。10.5.3 厨房排油烟机的排气管道可通过竖向共用排气道或外墙水平直排方 式排向室外。当通过外墙排至室外时,应在室外排气口设置避风、防雨和防 止污染墙面的构件。室外排气口的设置应与建筑外立面相协调,且不应影响 相邻住户。10.5.4 卫生间应设置防回流的机械通风设施或预留安装机械通风设施的条件。10.5.5 不设置户式新风系统的新建住宅宜预留设置户式新风系统的土建安 装条件。设置户式新风系统时,通风设备宜带热回收功能。户式新风系统的 取风口应远离燃气热水器外墙排烟口及厨房油烟外墙排放口。室外新风应先 进入卧室、起居室等人员长时间停留的区域。10.5.6 户式新风系统的最小新风量宜按换气次数法确定,并宜符合表10.5.6 规定。注:居住面积按户式新风系统所服务房间的建筑套内面积计。
10.6.1 住宅不采用集中空调系统时,居住空间应设置空调设施或预留安装空调设施的位置和条件。10.6.2 住宅采用集中空调系统时,负荷计算和室内设计参数应符合下列规 定:1 应对每一个空调房间进行热负荷和逐项逐时冷负荷计算; 3 无集中新风供应系统的住宅新风换气宜为 1 次/h; 4 空调系统的夏季冷负荷按所服务区域各空调房间逐时冷负荷的综合 最大值确定。10.6.4 空调室外机的安装位置应符合本规范第 7.3 节的规定,并应符合下 列规定:1 在排出空气与吸入空气之间不会发生明显的气流短路,必要时应做 散热气流解析; 10.6.5 空调系统应设置分室自动温度控制设施。11.1.1 建筑电气的设计应与住宅工程的特点、规模、物业管理和发展规划相适应,应做到安全可靠、经济合理、技术先进、整体美观、维护管理方便。11.1.2 建筑电气设备应采用符合国家现行有关技术标准的高效、节能环保、 性能先进的电气产品,不应使用已被国家淘汰的产品。 11.2.1 住宅供电负荷分级及计算应符合下列规定:1 住宅建筑中主要用电负荷的分级应符合表 11.2.1-1 的规定;注:1) 其他未列入表中的住宅用电负荷的供电等级宜为三级;2)住宅建筑采用集中供暖系统时,热交换系统的用电负荷等级不宜低于二级。 2 根据负荷计算结果应用场合,应分为配电负荷计算及配电变压器容量计算;
3 每套住宅用电负荷指标不应低于表 11.2.1-2 的规定。注:1) 采用电取暖的用户,每户用电负荷指标增加 2kW;
2) 当每套住宅建筑面积大于 150 m²时,超出的建筑面积用电负荷指标按照 50W/ m²的标准计算;3) 当采用单位面积负荷密度法计算居住区用电负荷时,按照不小于 60W/m²的标准计算;4) 住宅小区配套设施宜按照 60W/ m²的标准配置;5) 配电线路的负荷计算指标应预留电动汽车充换电设施及高档住宅集中供冷的用电容量。1 居住区的公用配电室和用户配电室由上级变电站或开关站引来 10kV电源;2 公用配电室单台变压器容量不宜超过 800kVA; 3 公用配电室应设置于负荷中心区域,低压供电半径五环内不宜大于150m,其他区域不宜大于250m,同时应满足压降要求;4 新建居民住宅区不宜采用预装式变电站的供电模式;5 当住宅建筑电源由公用配电室引来时,进线处应设低压电缆分支箱;1)每套住宅通常采用单相电源进户,用电负荷大于 12kW 或有三相用电 设备时可采用三相电源进户; 2)采用三相电源供电的住宅,三相电源为三相设备供电,套内每层或 每间房的单相用电设备、电源插座应采用同相电源供电;3)每幢住宅楼、每一条配电干线的三相负荷分配宜均匀、平衡;4)每套住宅应设置可同时断开相线和中性线并具有隔离功能的电源进 线开关电器;6)住宅楼功率因数,多层住宅及高层住宅的照明进线取 0.85 计算,高层住宅的动力进线取 0.8 计算; 7)套内起居厅、卧室插座宜采用带有 USB 接口的组合插座,并宜预留为智能家居设备供电的电源插座。2)住宅建筑供配电系统中存在多种电价用电负荷时,应分别装设电能计量装置;4)有新能源发电并网需求的用户,应在并网点上装设送、受电双向峰 谷分段多费率电能计量装置;5)供热计量系统应单独设计供电回路,并设置电能计量装置。1)居民住宅用户按照一户一表安装计量表箱,配置单相或三相10(100)A智能电表,智能电表表计前安装隔离开关,表计后安装具备控制及保护功能 的微型断路器;2)居民住宅用户配电指标大于12kW或有三相用电设备时可采用三相计 量;3)普通低压供电的用户,负荷电流为100A及以下时,智能电表计量装置接线宜采用直接接入式;负荷电流为100A以上时,宜采用经电流互感器接 入,电流互感器及计量表计应安装在计量表箱内;4)电能计量装置应独立封闭,并应便于用户观察电能表示数并具备防 窃电功能。3)居民计量装置应配置集中抄表终端,对有需要接入公共电网分布式 能源系统的用户配置分布式能源监控终端。1 住宅建筑的门厅、前室、公共走道、楼梯间等应设置人工照明,应采用高效节能的照明装置和延时自熄开关;2 当住宅建筑设置航空障碍标志灯时,其电源应按该住宅建筑中最高 负荷等级要求供电。 1 高层住宅建筑的封闭楼梯间、防烟楼梯间及其前室、消防电梯间的 前室或合用前室、长度超过20m的内走道、避难走道、避难层(间)应设置疏散照明;2 高层住宅建筑应设置灯光疏散指示标志。消防安全疏散标志的设置应符合现行国家标准《消防应急照明和疏散指示系统技术标准》GB 51309的 规定;3 高层住宅建筑楼梯间应急照明可采用不同回路跨楼层竖向供电,每 个回路的光源数不宜超过25个或发光二极管灯具数不宜超过60个;4 住宅底商应急照明负荷等级应与住宅建筑最高供电负荷等级相同。高层住宅建筑底商应单独设置应急照明配电箱;5 当应急照明作为普通照明并采用节能自熄开关控制时,应采取消防时应急点亮的措施;6 应急照明应由消防专用回路供电。应急照明的回路上不应设置与其无关的电源插座,当需要设应急灯专用充电插座时应单独组成回路;7 应急照明的备用电源及照度要求应符合现行国家标准《建筑设计防 火规范》GB 50016的规定。1 起居室(厅)、餐厅等场所的照明应在顶部至少预留一个电源出线口;2 卧室、书房、卫生间、厨房的照明宜在顶部预留一个电源出线口, 灯位宜居中;3 卫生间等潮湿场所,宜采用防潮易清洁的灯具;卫生间的灯具位置 不应安装在0、1 区内及上方。装有淋浴或浴盆卫生间的照明回路,宜装设 剩余电流动作保护器,灯具、浴霸开关宜设于卫生间门外,否则应采用防溅型开关并设置在2区之外;4 起居室、通道和卫生间照明开关,宜选用夜间有光显示的面板。11.3.4 每套住宅电源插座的数量应根据套内面积和家用电器设置,并应符合表 11.3.4 的规定。注:1、表中序号 1~4 设置的电源插座数量不包括序号 5 专用设备所需设置的电源插座数量;
2、序号 5 数量≥1 是指各专用设备所需设置的电源插座数量≥1。11.4.1 住宅建筑楼内配电系统的接地形式应采用 TN-S 系统。11.4.2 住宅建筑各电气系统的接地宜共用接地装置,接地装置应优先利用建筑的自然接地体,接地装置的接地电阻值应满足其中电气系统最小值的要求。11.4.3 住宅建筑应做总等电位联结,装有淋浴或浴盆的卫生间应做局部等 电位联结。11.4.4 住宅建筑套内下列电气装置的外露可导电部分均应可靠接地:1 固定家用电器、手持式及移动式家用电器的金属外亮;2 家居配电箱、家居配线箱、家居控制器的金属外壳;11.4.5 接地干线可选用热镀锌扁钢或铜导体,接地干线可兼作等电位联结 干线。11.4.6 住宅建筑电气竖井内的接地干线,每隔 3 层应与相近楼板钢筋做等电位联结。11.4.7 楼顶的太阳能热水器、太阳光伏发电系统应按要求采取防雷措施。11.4.8 住宅建筑的防雷设计要求应符合现行国家标准《建筑物防雷设计规范》GB 50057 及《建筑物电子信息系统防雷技术规范》GB 50343 的规定。11.5.1 住宅建筑的信息基础设施系统应包含建筑规划用地红线内住宅区内地下通信管道、光缆交接箱、住宅建筑内管槽及通信线缆、配线设备,住户 内家居配线箱、户内管线及各类通信及有线广播电视业务信息插座,预留的 设备间、光电转换间、电信间、有线广播电视机房等设备安装空间。11.5.2 住宅区和住宅建筑内光纤到户通信设施工程的设计,必须满足多家 电信业务经营者平等接入、用户可自由选择电信业务经营者的要求。11.5.3 新建住宅区和住宅建筑的通信及有线广播电视设施应采用光纤到户 或光纤同轴混合的方式建设。11.5.4 新建住宅区和住宅建筑内的地下通信及有线广播电视管道、配线管 网、电信间、设备间等通信及有线广播电视设施,应与住宅区及住宅建筑同 步建设。11.5.5 住宅建筑外信息管道包括管道、人(手)孔及落地交接箱,应符合 现行国家标准《住宅区和住宅建筑内光纤到户通信设施工程设计规范》GB 50846 及《通信管道与通道工程设计标准》GB 50373 的规定。1)线缆竖井、楼道综合配线箱、有线广播电视放大箱、过路箱(盒),应设置在建筑物的公共区域;2)楼道综合配线箱、有线广播电视放大箱,宜设置在通信及有线广播 电视终端相对集中,利于暗管敷设的地方,不宜设置在人行楼梯踏步侧墙上;3)楼道综合配线箱宜为通信及有线广播电视共用箱体; 4)住宅建筑的楼道综合配线箱设置应符合表 11.5.6 的规定:注:每户以通信、有线广播电视各设置 2 个信息点计算。5)终端综合配线箱应设置在用户内靠近线缆竖井或楼道综合配线箱一 侧。终端综合配线箱通过入户暗管与楼道竖井或楼道综合配线箱连接,通过预埋暗管分别与用户各房间的出线盒及有线广播电视终端盒进行连接。入户 通信及有线电视的光缆信息点各设置 1 个,信息点的接入光缆不少于 2 芯, 入户有线电视同轴电缆信息点不少于 2 个。光缆在终端综合配线箱内应预留足够的空间放置用户终端设备和出线盒。1)暗管直线敷设超过 30m 时,暗管中间应加装过路箱(盒);2)暗管弯曲敷设时,其路由长度应小于 15m,且该段内不得有 S 弯。连续弯曲超过两次时,应加装过路箱(盒);5)线缆暗管、引入线暗管弯曲半径不得小于该管外径的 10 倍;6)在易受电磁干扰影响的场合,暗管应采用钢管并良好接地;7)暗管穿越沉降缝或伸缩缝时,应作伸缩或沉降处理,管材宜采用钢 管;8)引入建筑物的管线,应根据建筑物的规模及特点确定一处或多处;9)暗管不应穿越易燃、易爆、高温、高电压、高潮湿及有较强振动的地段或场合,如不可避免时应采取保护措施;10)楼道综合配线箱至终端综合配线箱、过路盒、终端盒的暗管,不宜穿越非本户的其他房间,如必须穿越时,暗管不得在其户内开口。1)管内穿放同轴电缆及光缆时应根据截面利用率选择管径;2)五类及以上对绞电缆采用暗管穿放至信息插座时,电缆不宜超过 4 根;3)通信竖向主干管内径宜为 50mm。水平连接沟通的通信主干管内径 宜为 50mm,采用线槽时应根据线缆的条数确定规格;4)多层建筑内有线广播电视竖向主干采用不小于 100 mm×50mm 的线 槽或 2 根内径应不小于 Φ50mm 的钢管;高层建筑内竖向主干应采用不小于100mm×100mm 的线槽;5)民用建筑单元间或每座水平连接沟通的有线广播电视主干线槽应不 小于 100mm×50mm,或采用 2 根内径不小于Φ50mm 的钢管;6)住宅建筑每个用户设置 2 根内径Φ20mm 的入户暗管。11.5.7 建筑物内机房及设备间的设置应符合下列规定:1)2000~10000 信息点的民用建筑应设置固定通信机房,固定通信机房 宜设置在物业管理中心。2)机房设置须避开电磁干扰区,应符合现行国家标准《数据中心设计规范》 GB 50174 的规定。3)机房的位置应选择在建筑区域的中心位置,宜选择在公共建筑首层 不易受淹处,应方便搬运设备的车辆进出,便于机房进出线缆和管道的接入。4)建筑占地面积每 0.1 平方公里应设置 1 个宏蜂窝基站机房或室外一体 化基站位置,宏蜂窝基站的数量在规划阶段确定。5)楼内宏蜂窝基站机房应选择靠近楼顶的房间,民用建筑内应每 5 万 m2 设置 1 个覆盖系统机房。6)室内覆盖系统机房应选择靠近建筑物中心区域弱电竖井的房间。7)设备间的使用面积应根据配线设备类型、数量、容量、尺寸进行计 算。8)每一个高层民用建筑宜设置一个固定通信设备间,固定通信设备间宜设置在地下一层或首层;多栋低层、多层、中高层民用建筑群宜每一个配线区设置一个固定通信设备间,固定通信设备间宜设置在地下一层或首层。9)固定通信和移动通信机房和设备间的配置面积及工艺要求应符合现 行国家标准《住宅区和住宅建筑内光纤到户通信设施工程设计规范》GB50846 及《通信管道与通道工程设计标准》GB 50373 的规定。1)对于2000个有线电视信息点以上民用建筑应设置有线广播电视机房。2000 个有线电视信息点以下的民用建筑应设置落地交接箱。2)机房宜设在配套公用建筑首层及以上,位于民用建筑的中心地域。宜选择在公共建筑一层不易受淹处,方便搬运设备的车辆进出,便于机房进 出线缆和管道的接入。3)机房设置须避开电磁干扰区,应符合现行国家标准《数据中心设计规范》GB 50174 的规定。4)机房室内应做好防水防潮处理,不应其他可形成安全隐患的管道(存 在或穿越。6)机房门应向外开启、机房不宜设窗户或安装密闭双层玻璃窗。7)机房内不设置上下水、喷淋、中央空调和水暖设施。8)机房的上层不应设卫生间,且不宜与厨房、卫生间等易潮湿的地方毗邻。9)有线广播电视机房和光电转换间配置面积及工艺要求应符合现行地方标准《民用建筑通信及有线广播电视基础设施设计规范》DB11/T 804 的规定。11.5.8 建筑物内机房及设备间的电源应符合下列规定:1 机房、设备间和光电转换间应引入至少一路交流电源,并安装壁挂 式交流配电箱,供电容量应满足供电需求,使用方单独设置计量表;2 固定通信机房为三相四线,电压标称值为 380V,允许变动范围为 380±10%V,引入容量应按 40~60kW 设置;3 有线广播电视机房为三相四线,电压标称值为 380V,允许变动范围 为 380±10%V,容量应不小于 20kW,交流配电箱/屏进线开关容量不小于50A;4 固定通信设备间电源为单相二线,电压标称值为 220V,允许变动范 围为 220V±10% ,引入容量一般按 5~10kW 考虑,具体容量根据实际需求 确定;5 光电转换间电源为单相二线。光电转换间采用引自专用断路器的220V 供电,电压允许变动范围为 220 V±10%,引入容量按 5kW 确定;6 蜂窝基站机房和室外一体化基站机房电源为三相四线,电压标称值 为 380V,交流引入容量应不低于 35kW,交流配电箱/屏进线开关容量不应小 于 100A;7 室内覆盖系统设备间引入一路三相 380V 电源,并安装壁挂式配电箱。容量不应小于 15kw;8 有线广播电视机房、光电转换间、通信设备间应设置普通照明,并 设置不应少于三个单相三孔电源插座(220V/10A)。11.6.1 公共安全系统应包括住宅火灾自动报警系统和安全技术防范系统。11.6.2 住宅建筑火灾自动报警系统的设置应符合下列规定: 1 建筑高度大于 54m、但不大于 100m 的高层住宅建筑,公共空间应 设置火灾自动报警系统,其套内房间宜设置火灾探测器;2 建筑高度大于 27m,但不大于 54m 的住宅建筑,公共部位宜设置火 灾自动报警系统;当设置需联动控制的消防设施时,公共部位应设置火灾自 动报警系统。套内房间宜设置火灾探测器,可选择独立式火灾探测报警器;3 建筑高度不大于 27m 的住宅建筑,公共部位宜设置火灾自动报警系 统,当设置需联动控制的消防设施时,公共部位应设置火灾自动报警系统。套内房间宜设置火灾探测器,可选择独立式火灾探测报警器;4 住宅建筑使用可燃气体的厨房应设置可燃气体探测报警系统,并应符合现行国家标准《火灾自动报警系统设计规范》GB 50116 的规定;5 住宅建筑应设置电气火灾监控系统,并应符合现行国家标准《火灾自 动报警系统设计规范》GB 50116 的规定。11.6.3 住宅建筑内的消防应急照明及灯光疏散指示标志的备用电源的连续 供电时间不应少于 1.0h。11.6.4 住宅建筑内消防设施的供电干线电缆应符合下列规定: 1 建筑高度大于 54m 但不大于 100m 的住宅建筑,应采用阻燃耐火线 缆,宜采用矿物绝缘类电缆; 2 建筑高度大于 27m 但不大于 54m 的住宅建筑,应采用阻燃耐火线缆; 3 与其他配电线路敷设在同一电缆井、沟内的消防配电线路应满足本 规范 12.0.9 的规定,并应采用矿物绝缘类电缆。11.6.5 住宅建筑内公共疏散通道的应急照明线缆应符合下列规定: 1 建筑高度为 54m 及以上的住宅建筑,应采用低烟无卤线缆; 2 建筑高度大于 27m 但不大于 54m 的住宅建筑,宜采用低烟无卤线缆。11.6.6 住宅安全防范系统应当具备接入公共安防系统的条件。11.6.7 住宅建筑应设置访客对讲系统,进入住宅单元的各通道门均应设置电子门锁。访客对讲系统应与火灾自动报警系统联动,当发生火警时,自动解除电子门锁控制。11.6.8 住宅套内应设置紧急呼叫装置,紧急呼叫装置的报警信号应传输至安防中心。11.6.9 首、二层及顶层等易于被入侵的住户套内、户门、阳台及外窗等处 应设置安全防范设施。如采用入侵报警探测装置,报警信号应能发送给业主 或小区物业管理中心。11.7.1 智能家居系统应包含智能家居家庭网络层、通信网络层、业务平台层和智能家居应用层,并应包括管理智能家居终端、智能家居业务平台和智 能家居应用的网管系统,并应符合下列规定:1 家庭网络层结构主要设备应包括智能家居网关、智能家居控制设备、终端代理、以及其他智能家居终端;2 通信网络层结构应包括公共通信网络和通信服务能力。其中,公共 通信网络主要提供连接能力;通信服务能力将公共通信网络的语音、定位、呈现、短信、彩信和媒体服务能力,通过开放接口接入至智能家居业务平台;3 业务平台层结构应为智能家居应用提供支撑和管理,主要包括业务 网关、运营管理平台和能力开放网关;4 智能家居应用层结构的智能家居应利用能力开放网关提供的开放接 口实现智能家居服务。1 网络安全要求包括智能家居家庭网络的安全以及连接公共通信网络的安全、智能家居内部组网禁止非法的终端接入和外部访问;2 系统安全要求包括智能家居控制设备设备系统的安全以及业务平台系统的安全;3 信息安全要求包括智能家居控制设备存储和管理的信息以及业务平 台存储和管理的信息。11.7.3 智能家居的信息基础设施包括光缆接入系统与布线接入系统,系统的设计应符合现行地方标准《民用建筑通信及有线广播电视基础设施设计规范》DB11/T 804 的规定。11.8.1 住宅每户照明功率密度值应符合现行国家标准《建筑照明设计标准》GB 50034 的规定。11.8.2 居住小区配变电所采用的变压器能效等级不应低于现行国家标准《三相配电变压器能效限定值及能效等级》GB 20052 规定的 2 级能效标准,住宅装修设计选择家用电器时宜采用达到中国能效标识 2 级及以上等级的节 能产品。11.8.4 楼梯间、走道等室内公共场所的照明,应采用高效节能照明装置(光 源、灯具及附件)和节能控制措施。11.8.5 住宅楼的电梯系统应具有节能运行控制模式。11.8.6 住宅采用新能源系统时应在户箱内设置用于能源管理的电能表,宜采用模数化导轨安装的直接接入静止式交流有功电能表。11.8.7 住宅配套停车位应按规划要求设置电动汽车充电桩并应符合下列规 定:1 交流充电桩的供电电压采用 AC220V,额定电流不应大于 32A,应具 有剩余电流保护功能;2 交流充电桩应具有 RS-485 通信接口,可接入上级能源监控管理系统, 支持现行国家标准《基于 Modbus 协议的工业自动化网络规范》GB/T 19582规定的开放式协议;3 公用充电桩群的配电应采用 AC380V,N 线截面应满足可能出现的三 相不平衡电流和谐波电流;4 公用充电桩群配电干线当接入住宅小区公用配电室时,应首先兼用原有变压器为其供电,该干线回路在小区公建的电能分项计量系统中采用的 编码规则应符合表 11.8.7,公用充电桩群编码应采用 E7D。11.8.8 电动自行车充电设施应符合现行地方标准《电动自行车停放场所防 火设计标准》DB11/ 1624 的规定。
11.8.10 住宅内宜设置无线网络信号收发装置,设置位置应便于维护、散热,距离本户和相邻户床位水平与垂直距离不应小于 1.5 米。12.0.1 给排水及供暖管线不应穿越电气用房区域,确需穿越时,应有可靠 且便于检修的土建分隔做法。2 管线宜集中布置在同一楼层的公共区域,检修阀门应设置在公共区域;3 当管线的管底距地高度不能满足建筑净高要求时,应分楼层分系统 布置管线。12.0.3 水暖管井应综合考虑设置的位置与面积。给水、中水公共管井宜与 供暖公共管井分开设置,公共管井内宜设置排水设施。12.0.4 公共管井的管线布置应预留足够的安装及检修空间,管道井的尺寸, 应根据管道数量、管径大小、排列方式、维修条件,结合建筑平面和结构形 式等合理确定。需进人维修管道的管井,其维修人员的工作通道净宽度不宜小于 0.6m。管井面宽不应小于 1050mm。当立管与计量表接管在平面上为同一排时,进深不应小于 300mm(图 12.0.4-1);当立管与计量表接管在平面 上为前后排列时,进深不应小于 500mm(图 12.0.4-2)。1. 供暖立管 2. 阀门 3. 过滤器 4. 热量表
12.0.5 公共管井内的计量表安装高度不宜高于 1.5m,并宜靠外布置。水暖系统计量表在同一管井内布置时,应将给水表、中水表、热水表放置于易于 观察的位置。
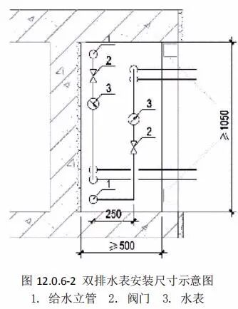
12.0.6 户用水表接管前后的直线管段总尺寸不宜小于 600mm,单排布置水表时(图 12.0.6-1)其竖向间距不应小于 250mm,双排布置水表时(图 12.0.6-2) 水平及竖向间距均不宜小于 250mm。12.0.7 电气管线敷设时,应考虑与设备管线的间距要求,并应满足电磁兼 容性的要求。
12.0.8 线缆垂直敷设时,强电和弱电系统宜分别设置电气竖井。当受条件限制需合用时,强电和弱电线缆应分别布置在竖井两侧或采取隔离措施。12.0.9 消防与非消防配电线路宜分开敷设在不同的电气竖井中,确有困难需要敷设在同一电气竖井中时,应分别布置在竖井的两侧。12.0.10 电气竖井应在每层楼板处采用不低于楼板耐火极限的不燃烧材料或防火封堵材料封堵。12.0.11 套内电气设备的设计应考虑与家具、厨房、卫生间的布置相协调,并应为住户留有改造的余地。12.0.12 住宅公共空间内的各类管线应在外表面做明显的系统名称标识及流向标识。1 为便于在执行本规范条文时区别对待,对要求严格程度不同的用词,说 明如下:1)表示很严格,非这样做不可的用词:正面词采用“必须”,反面词采用“严禁”;2)表示严格,在正常情况下均应这样做的用词:正面词采用“应”,反面词采用“不应”或“不得”; 3)表示允许稍有选择,在条件许可时首先应这样做的用词:正面词采用“宜”,反面词采用“不宜”; 4)表示有选择,在一定条件下可以这样做的用词,采用“可”。2 本规范中指明应按其他有关标准执行的写法为:“应符合……的规定”或 “应按……执行”
引用标准名录
1. 《砌体结构设计规范》GB 50003
2. 《建筑结构荷载规范》GB 50009
3. 《混凝土结构设计规范》GB 50010
4. 《建筑抗震设计规范》GB 50011
5. 《建筑设计防火规范》GB 50016
6. 《城市居住区规划设计标准》GB 50180
7. 《住宅建筑规范》GB 50368
8. 《消防应急照明和疏散指示系统技术标准》GB 51309
9. 《高层建筑混凝土结构技术规程》JGJ 3
10. 《民用建筑通信及有线广播电视基础设施设计规范》DB11/ 804
11. 《电动自行车停放场所防火设计标准》DB11/ 1624